DDScad 19
Your best design option
DDScad ensures efficient design work, now advanced even further thanks to the latest improvements in version 19. From MEP modeling and documentation to OPEN BIM workflows, DDScad supports you through all stages of project planning. Discover the enhancements and new features that help you achieve a better design workflow for even greater success.
What’s new?
In version 19, DDScad supports you even better in designing all areas of MEP.
Overview of innovations
With DDScad 19, you can design with ease thanks to new modelling functions. You have got instant access to data and thus get detailed information faster. In addition, version 19 enables a smoother collaboration which helps you to avoid clashes.
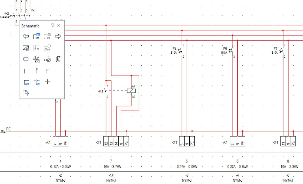
Clear display of distribution board design
Generate an overview diagram showing all distribution boards, their connections to each other, and the internal structure – all in an easy-to-understand display.

Drag-and-drop for intuitive distribution board design
Drag-and-drop single-line circuits and components within the circuit list quickly and easily – circuit views are automatically updated. Also, drag-and-drop components from the circuit list to the cabinet design’s mounting position.

Model cable ladders and cable management systems more efficiently
Improvements in handling cable ladders, cable trunkings, and cable management systems mean you can now route cables in and out of a cable management system. What’s more:
- Connect cable ladders laterally
- Direct connection between different types of cable ladders
- Link conduits seamlessly with cable ladders and cable trunkings

Cable guides with filling degree calculation – design in a practice-oriented way
With version 19, DDScad offers you even more options for modeling cable paths. Use cables with cable guides in your design and monitor their capacity with the filling degree calculation.

NEW PRODUCT DATA TECHNOLOGY
DDScad 19 introduces enhanced OPEN BIM functionalities6>
Updated Relux interface: Export multiple rooms
If you use Relux for lighting design, you’ll benefit from an improved interface – for easier and faster design. Transfer multiple rooms simultaneously from your DDScad building model to Relux thanks to flexible lighting design in version 19.

Multiple power feeds for distribution boards
Distribution boards can now be supplied via multiple power feeds. DDScad calculates and divides the load, then automatically displays it correctly in the distribution board documentation. This is particularly useful when designing electrotechnical systems for sensitive building types, such as hospitals.

Visualization filter: Convenient analysis of pipe network dimensions
Clearly display different dimensions of a pipe network. DDScad highlights the components’ dimensions according to a customizable color scheme, making it easier for you to analyze the entire system.

Improved design of potable water systems
Create cold water circulation within a potable water system that meets high-quality requirements. Use a tee to model ring lines – a convenient and time-saving improvement.

Cooling load calculation: Display result according to VDI or ASHRAE
The extended cooling load dialog now presents even more detailed calculation results, in line with VDI 2078 and ASHRAE guidelines. Display the results in your plan, each with its own room text label template.

Getting started
Download DDScad 19
After you have bought DDScad 19 you can can download the installation file by clicking on the button below. You will then be asked to enter the username and password, which you will find on the packaging of your dongle.
Install the software
Follow our detailed and clearly illustrated installation instructions web manual. You will find all the information you need for your desired setup there.
Updating your dongle
If you change the version or content in your DDScad license, you must also update your dongle. You will find a detailed explanation of the update process here.
System requirements
Before installing DDScad 19, please check that your computer meets the system requirements. If you are using the software in a network, you should check each of the connected computers individually.
Answers to your questions
Local dongle
A license check dialog opens when you start a new DDScad version for the first time. By clicking on the button Update the Select Dongle Update dialog appears. Select the option Internet and click OK. Confirm again with OK to update your dongle.
Network dongle
A network dongle must be removed from the server and inserted into a computer which has DDScad installed locally. Next, you can follow the steps described above for updating a local dongle.
If the dongle is inserted into your computer before the installation of DDScad it can lead to the installation of an incorrect driver by Windows. The correct dongle driver will be installed automatically during the installation of DDScad.
If you inserted the dongle before the installation, you should complete the installation process. The dongle will not be affected in most cases. However if the dongle is not working properly you must install the driver manually.
Your dongle requires an update before a new DDScad version can be used. Updating your dongle can be done either manually or via the internet.
Yes, you need to create a version specific user folder. This is required to prevent conversion or incompatibility of user specific data between versions. You can either copy the content of your existing user folder automatically using the option “Copy to DDScad 19” in the installation process. Else you can manually copy the content to your user folder location for DDScad 19.
The checkbox ‘Copy user folder previous DDScad version’ should be selected when installing DDScad if you previously worked with an older version of the software. If the checkbox is selected, your symbols, products, company logo, etc. will automatically be copied to the new user folder.
You should install DDScad with administrator rights in order to avoid possible restrictions (e.g. a lack of write access).
Network installation is useful if you want to install DDScad locally with the exact same installation configuration (i.e. similar program, user and project folder) on many computers. This type of installation is not dependent on whether you are using a network dongle or not. It is a silent install, which stores the system settings and automatically applies them to other computers.
A dongle server is a service that is installed on a Windows computer. The service is used by DDScad in the network and is essential for the management of available DDScad licenses.
The dongle service ‘Sentinel Protection Server’ must be installed on the computer/server that acts as the dongle server. You should insert the dongle after completing the installation of this service. You can find the installation file on the DDScad DVD (or in the setup.exe). After you have completed the installation, a reboot of your system might be required.
You can also find the “Sentinel Protection Installer” on the website of the manufacturer Thales.
Contact
Do you still have open questions? Then just call us at +49 2593 8249 0 or send us an e-mail at [email protected]. We will be happy to support you.